Toggle navigation
Home
Products
Capri
Compactline
''Just in time'' production in the building site
Large-Size Slabs up to 160x360 cm
Robustus
Greenline
Starline
Industrialine
Brick
Stone & Co.
Robotics
Glass
Accessories and spare parts
Second-hand machineries
Sales Network
News/Events
Where to Find Us
Contacts
Home
Products
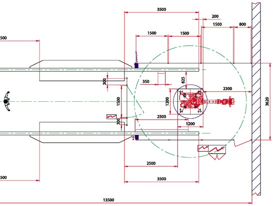
ROBOGLASS 3000
Robot to feeding grindinglines (bilaterals or rectilineals).
Ask for more information